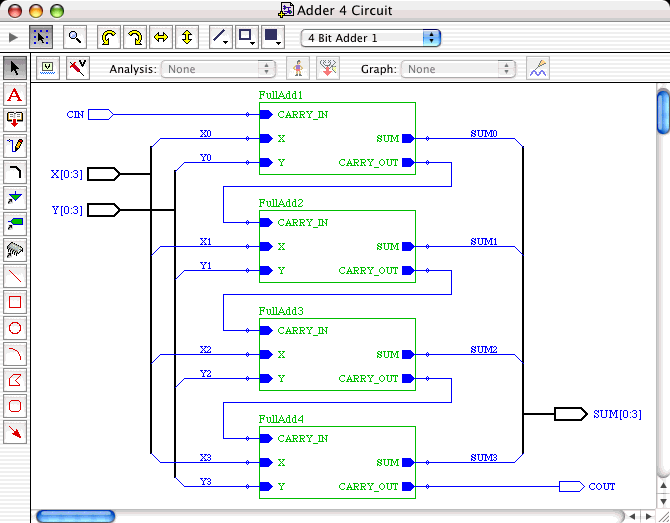
Descending the Heirarchical Drawing Tree

Please note that MSwindows screens will be similar to these Macintosh screens.